Wissensdatenbank
Bei uns profitieren Sie von jahrzehntelanger Erfahrung, die wir gerne mit Ihnen teilen. Einen Ausschnitt unseres Erfahrungsschatzes stellen wir Ihnen in unserer Wissensdatenbank zur Verfügung, die Ihnen helfen kann Bauteile Kunststoffgerecht auszulegen.
Bei tiefergehenden Fragestellungen sowie der Durchsprache Ihrer Konstruktion dürfen Sie gerne auf uns zukommen.
In den untenstehenden Werkstoffmatrizen finden sich relevante Kennwerte der gängigen spritzgießfähigen Kunststoffe.
Materialien (I/III) | HDPE | PP | PS | POM | ABS | PA 6 | PA 6.6 amor. | PA 12 |
|---|---|---|---|---|---|---|---|---|
Kosten ca. [€/kg], Stand 10/19 | 1,50 — 2,00 | 1,50 — 2,00 | 1,50 — 2,00 | 1,50 — 2,00 | 2,50 — 3,50 | 3,00 — 4,00 | 4,50 — 6,00 | 13,00 — 15,00 |
Dichte [g/ccm³] | 0,95 | 0,91 | 1,05 | 1,41 | 1,05 | 1,13 | 1,14 | 1,02 |
Zugfestigkeit ca., nach DIN 53455 [N/mm²] | 26 | 29 | 45 | 60 | 60 | 55 | 70 | 60 |
maximale Gebrauchstemperatur [°C] | 90 | 100 | 65 | 100 | 80 | 135 | 145 | 100 |
Fließweglänge, ca. bei 2mm Wandstärke [mm] | 600 | 600 | 700 | 400 | 280 | 500 | 600 | 200 |
Verarbeitungsschwindung, Spritzgießen, ca. [%] | 1,7 | 1,7 | 0,6 | 2,0 | 0,6 | 1,8 | 1,8 | 0,6 |
Erforderliche Entformungskonizität bei Erodierstufe 30/3,5 µm Rauhtiefe [°] | 2,0 | 2,0 | 2,5 | 1,5 | 2,0 | 1,5 | 1,5 | 2,5 |
Mittlerer Werkzeuginnendruck bei 3mm Wandstärke, ca. (1:150 Fließweg) [bar] | 260 | 260 | 260 | 350 | 350 | 340 | 340 | 400 |
Materialdaten (nach Schulnoten) | ||||||||
|---|---|---|---|---|---|---|---|---|
Schlagzähigkeit | 2 | 4 | 6 | 3 | 3 | 2 | 2 | 3 |
Chemikalienbeständigkeit | 1 | 2 | 6 | 2 | 4 | 2 | 2 | 3 |
Transparenz | 5 | 5 | 1 | 5 | 6 | 5 | 5 | 2 |
geringe Fertigungstoleranz | 5 | 5 | 2 | 6 | 2 | 5 | 5 | 2 |
Klebbarkeit | 5 | 5 | 2 | 5 | 2 | 3 | 3 | 3 |
besondere Eigenschaften | weich, hohe Kriech-neigung | Filmscharniereffekt, Trinkwasserzulassung möglich, kälteschlagempfindlich | transparent, schlagempfindlich | gute Federeigenschaften, Gleitwerkstoff, Trinkwasserzulass | galvanisierbar, hoch glänzende Oberfläche | Wasseraufnahme verändert die Eigenschaften, Gleitwerkstoff | Wasseraufnahme verändert die Eigenschaften, Gleitwerkstoff | transparent, hohe Chemikalienbeständigkeit |
Gängige Markennamen | Hostalen, Lopolen | Vestolen, Moplen, Novolen, Vestolen, Hostalen PP | Polystyrol | Hostaform, Ultraform, Delrin | Polylac, Novodur, Terluran, Cycolac | Ultramid B, Durethan, Akromid, Badamid | Zytel, Ultramid A | Grilamid, Trogamid |
Verwendung | Verpackungen, Behälter, Flaschen
| Armaturen, Rohrleitungen, Verpackungen
| Verpackungen, Gehäuse,
| Zahnräder, Gleit- und Führungselemente, Gehäuseteile
| Dusch, Badewannen- und Küchenarmaturen in galvanisierter Ausführung, Türgriffe, Armlehnen
| Gleitlager, Buchsen, Zahnräder, Laufrollen, Elektrische Bauteile
| Gleitlager, Laufrollen, Zahnräder, Führungen, Gleitplatten,Ventilsitze und ‑körper
| Schläuche und Katheter, Gleitlager, Ventile
|
Materialien (II/III) | PC | PPO | PEEK | ASA | PBT | PPS GF40 | PPA GF30 | PC/ABS |
|---|---|---|---|---|---|---|---|---|
Kosten ca. [€/kg], Stand 10/19 | 4,50 — 5,50 | 5,00 — 5,50 | ab 80,00 | 3,00 — 4,00 | 3,50 — 4,50 | 9,50 — 10,50 | 6,00 — 7,00 | 4,00 — 5,00 |
Dichte [g/ccm³] | 1,20 | 1,06 | 1,32 | 1,06 | 1,30 | 1,65 | 1,46 | 1,13 |
Zugfestigkeit ca., nach DIN 53455 [N/mm²] | 60 | 50 | 110 | 60 | 57 | 150 | 200 | 65 |
maximale Gebrauchstemperatur [°C] | 135 | 130 | 260 | 90 | 135 | 240 | 180 | 115 |
Fließweglänge, ca. bei 2mm Wandstärke [mm] | 200 | 250 | 350 | 280 | 400 | 150 | 200 | 240 |
Verarbeitungsschwindung, Spritzgießen, ca. [%] | 0,6 | 0,6 | 1,0 — 1,3 | 0,6 | 1,8 | 0,3 | 0,3 | 0,5 |
Erforderliche Entformungskonizität bei Erodierstufe 30/3,5 µm Rauhtiefe [°] | 2,5 | 2,0 | 2,5 | 2 | 2,0 | 1,5 | 1,5 | 2,5 |
Mittlerer Werkzeuginnendruck bei 3mm Wandstärke, ca. (1:150 Fließweg) [bar] | 500 | 400 | 500 | 350 | 550 | 400 | 400 | 400 |
Materialdaten (nach Schulnoten) | ||||||||
|---|---|---|---|---|---|---|---|---|
Schlagzähigkeit | 1 | 3 | 2 | 3 | 2 | 5 | 4 | 2 |
Chemikalienbeständigkeit | 6 | 4 | 1 | 4 | 3 | 2 | 2 | 2 |
Transparenz | 1 | 6 | 6 | 6 | 6 | 6 | 6 | 6 |
geringe Fertigungstoleranz | 2 | 2 | 2 | 2 | 5 | 3 | 3 | 2 |
Klebbarkeit | 3 | 2 | 4 | 2 | 2 | 3 | 2 | 3 |
besondere Eigenschaften | hohe Schlagzähigkeit | beständig gegen saure Substanzen, Trinkwasserzulassung möglich | gute Gleit- u. Reibeigenschaften, exzellente Verschleißfestigkeit, höchste Wärmeformbeständigkeit, hohe Kriechfestigkeit, chemiklienbeständig | hoch glänzende Oberfläche, gute Alterungs- und Witterungsbeständigkeit gegenüber ABS | gute Chemikalienbeständigkeit, keine Wasseraufnahme | geringe Teiletoleranzen möglich, hohe Festigkeit und Stetigkeit, sehr gute Isoliereigenschaften | hohe Hitzebeständigkeit bei gleichzeitiger hoher mechanischer Stabilität, chemikalienbeständig | galvanisierbar |
Gängige Markennamen | Lexan, Makrolon, Alyacarb | Noryl, Luranyl | Victrex PEEK | Vestolen, Moplen, Novolen, Hostalen PP | Crastin, Ultradur | Tedur, Fortron, Ryton | Grivory HT, Zytel HTN | Bayblend |
Verwendung | Optischen oder elektrischen Bauteilen, Glasersatz für Scheiben
| Pumpenteile Automobilteile, Isolatoren, Stecker, Schalter
| Gleitlager, Zahnräder, Armaturen, Kolbenringe, Lagerkäfige für Motoren, Zahnräder, Ventile
| Gehäuse für Telefone, Computer, Drucker usw., Autoverkleidungen z.B. Armaturen, Batteriegehäuse, Radkappen usw., Fensterrahmen
| Gleitlager, Rollenlager, Ventilteile, Schrauben, Steckerleisten, Pumpengehäuse und Räder, Teile für Haushaltsgeräte wie Kaffeemaschinen, Eierkocher, Toaster usw.
| Hochbeanspruchte Teile in Elektro- und Automobilindustrie
| Automobil‑, Elektroindustrie oder im Maschinenbau mit besonderen Anforderungen an die Festigkeit, selbst bei erhöhten Temperaturen oder feuchter Umgebung.
| Gehäuse, elektrische Bauteile z.B. Tastatur, Handy, Ladegerät, Zierleisten, Schalter, Mittelkonsolen, Dachkonsolen,
|
Materialien (III/III) | TPU | TPE | COC | PP mit Holz | PLA | Ligninbasiert | Glasfaser | Mineralfüll. |
|---|---|---|---|---|---|---|---|---|
Kosten ca. [€/kg], Stand 10/19 | 4,50 — 5,50 | 3,00 — 3,50 | 8,00 — 12,00 | 2,00 — 3,00 | 5,00 — 6,00 | 5,00 — 6,00 | steigt an | fällt |
Dichte [g/ccm³] | 1,20 | 1,10 | 1,01 | 1,03 | 1,34 | 1,29 | steigt an | steigt an |
Zugfestigkeit ca., nach DIN 53455 [N/mm²] | 30 — 65 | 30 — 45 | 60 | 33 | 54 | 33 | steigt an | fällt |
maximale Gebrauchstemperatur [°C] | 80 | 70 | 120 | 110 | 60 | 70 | steigt an | unveränd. |
Fließweglänge, ca. bei 2mm Wandstärke [mm] | 230 | 300 | 300 — 800 | 200 — 300 | 300 — 400 | 100 — 200 | sinkt leicht | sinkt |
Verarbeitungsschwindung, Spritzgießen, ca. [%] | 1,0 | 1,5 | 0,6 | 0,7 | 0,7 | 0,2 | sinkt stark | sinkt etwas |
Erforderliche Entformungskonizität bei Erodierstufe 30/3,5 µm Rauhtiefe [°] | 1,5 | 1,5 | 2,0 | 1,5 | 1,5 | 2,5 | mehr Schräge | mehr Schräge |
Mittlerer Werkzeuginnendruck bei 3mm Wandstärke, ca. (1:150 Fließweg) [bar] | 340 | 260 | 500 | 600 | 500 | 800 | steigt | unveränd. |
Materialdaten (nach Schulnoten) | ||||||||
|---|---|---|---|---|---|---|---|---|
Schlagzähigkeit | 1 | 1 | 5 | 4 | 2 | 6 | sinkt | sinkt |
Chemikalienbeständigkeit | 2 | 2 | 3 | 3 | 2 | 4 | unveränd. | unveränd. |
Transparenz | 6 | 6 | 1 | 5 | 1 | 6 | sinkt | sinkt |
geringe Fertigungstoleranz | 2 | 3 | 2 | 2 | 2 | 1 | schwieriger | geringe Toleranz möglich |
Klebbarkeit | 4 | 4 | 3 | 5 | 2 | 2 | sinkt | sinkt |
besondere Eigenschaften | gute Kratzbeständigkeit | weiche Haptik | glasähnliche transparenz, FDA und medizinische Zulassung | geringe Fließweglänge je nach Füllstoffgehalt, geringe Schwindung | hohe Kratzfestigkeit | Druckfestigkeit steigt, Zugfestigkeit sinkt, Schwindung sinkt | Eigenschaften unterschiedlich längs und quer zur Glasfaser | Druckfestigkeit steigt, Zugfestigkeit sinkt, Schwindung sinkt |
Gängige Markennamen | Desmopan, Texin, Elastollan | Santoprene | TOPAS COC | ARBOfill | ARBOblend | ARBOform | GF, GK | MR, CMF, MF |
Verwendung | Zahnriehmen, Schuhsolen, Dichtungen, Schalter
| Armaturen, Abdeckungen, Automobil Interieur
| Funktionsfolien in Flachbildschirmen sowie Linsen und Sensoren, Medizintechnik Spritzen, Mikrotiterplatten, Küvetten und Fläschchen
| Haushaltswaren, Bürobedarf, Verpackungen, Kleiderbügel, Technische Profile, Stühle
| Verpackungen, Bürobedarf, Haushaltswaren, Folien, Flexible Karten, Spielwaren, Sportgeräte, Pflanztöpfe, Laborbedarf, Halbzeuge / Profile, Filamente
| Lautsprecher, Musikinstrumente, Urnen, Spielwaren, Designobjekte
| Luft- und Raumfahrt, Leiterplatten, Boote, Bobschlitten usw.
| Halbleiterindustrie, Elektronik, Maschinenbau, Vakuum-technik
|
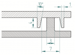
Entformungskonizität
Bei erodierten Oberflächen (Elektroerosion) erhöht sich die erforderliche Entformungskonizität im Vergleich zu polierten Oberflächen. Die folgenden Entformungkonizitäten sind zu wählen im Verhältnis zur Rauheit, abhängig vom jeweiligen Werkstoff. Strukturstufen nach VDI 3400.
Material/Entformungswinkel | 0,5° | 1,0° | 1,5° | 2,0° | 2,5° | 3,0° | 4,0° | 5,0° |
|---|---|---|---|---|---|---|---|---|
ABS, PE(hart), PP | 21 | 24 | 27 | 30 | 33 | 36 | 39 | 42 |
PS, MMA, PC | - | 21 | 24 | 27 | 30 | 33 | 36 | 39 |
POM, Cab, PA | 24 | 27 | 30 | 33 | 36 | 39 | 42 | - |
Verbindung von technischen Kunststoffteilen: Schweißverfahren im Überblick
Ultraschallschweißen
Das Ultraschallschweißen ist ein schnelles und wirtschaftliches Verfahren zur Verbindung von Kunststoffteilen und eignet sich hervorragend zur Montage qualitativ hochwertiger, in großen Stückzahlen hergestellter Kunststoffartikel. Beim Ultraschallschweißen werden hochfrequente Schwingungen mit Hilfe eines vibrierenden Schweißwerkzeugs, der sogenannten „Sonotrode“, auf die zu verschweißenden Teile übertragen.
Durch diese „hämmernde“ Bewegung wird der Kunststoff an den Berührungsflächen aufgeschmolzen und verbunden. Die Festigkeit der Schweißnaht beträgt ca. 80% des Teilematerials. Die Größe der zu verschweißenden Teile ist begrenzt. In der Praxis haben sich die unten aufgeführten Schweißgeometrien bewährt.
Ultraschallschweißen | Eigenschaften | Unverschweißt | Verschweißt |
|---|---|---|---|
Stumpfschweißnaht mit Energieleiter |
| ||
Nut-Feder-Verbindung
|
| ||
Quetschnaht |
|
Vibrationsschweißen (Reibschweißen)
Durch lange Prozesszeiten und teure Maschinentechnik ist dieses Schweißverfahren deutlich teurer als das Ultraschallschweißen. Es können aber auch leicht verzogene Teile verschweißt werden, da dieses robuste Verfahren mit hohen Kräften arbeitet. Beim Vibrationsschweißvorgang werden zwei Teile unter Druck linear gegeneinander bewegt, wodurch die benötigte Wärme durch Reibung entsteht. Nach einer vorgewählten Zeit bremst die Vibration ab, während der Druck auf die Schweißfläche erhalten bleibt, bis die Schmelze erstarrt ist.
Die Festigkeit der Schweißnaht beträgt nur ca. 30% des Grundwerkstoffs. Die Schweißnähte werden relativ breit ausgeführt, was dann trotzdem hohe Festigkeiten bringt.
Angussposition
Die Angussposition sollte so gewählt werden, dass ein Freistrahl möglichst vermieden wird. Weiterhin muss eine vollständige Füllung gewährleistet sein, insbesondere im Hinblick auf Störkonturen, welche die Schmelze umfließen muss. In diesen Bereichen entstehen Bindenähte.
Bei Mehrfachformen ist darauf zu achten, dass alle Formnester gleichmäßig gefüllt werden können. Sofern eine Positionierung im identischen Abstand zur Düse nicht möglich ist, sollten der Angussverteiler ausbalanciert werden.

Freistrahlbildung durch falsche Angusslage

Ausbalancierter Angussverteiler
Unterfluranguss
Der Unterfluranguss ist ein Abscheranguss, der während der Entformung automatisch vom Teil abgetrennt wird. Dies hat den Vorteil, dass er nicht später manuell abgetrennt werden muss und eine saubere Trennkante erreicht werden kann. Ein Unterfluranguss gibt dem Konstrukteur eine große Flexibilität, die Angussposition optimal zu wählen um beispielsweise einen Freistrahl zu vermeiden.
Dimensionierung eines gebogenen Tunnelangusses (Quelle GEP):

Der Übergang von d1 nach d2 bildet einen Kegel von 3–5°.
Teileauswurf und beginnender Tunnelauswurf (Quelle GEP):


Anguss-Check
Mit dieser Checkliste können sie überprüfen, ob sie die wesentlichen Fragen bei der Anguss-Konstruktion bedacht haben.
Ja | |
|---|---|
Ist eventuelle Nacharbeit zur Angussentfernung mit dem Teilepreis vereinbar? | |
Wird die Angussmarkierung an dieser Stelle akzeptiert? | |
Erlaubt das Fließweg-/ Wanddickenverhältnis die komplette Formfüllung? | |
Können die Bindenähte akzeptiert werden? | |
Kann die Luft entweichen oder müssen bei der festgelegten Angusslage zusätzliche Entlüftungsmöglichkeiten eingebaut werden? | |
Können Bindenähte z.B. an Anschraubdomen zu Festigkeitsproblemen führen? | |
Kann auf ein teures Anguss-System mit Kaskadenschaltung zur Bindenahtvermeidung verzichtet werden? | |
Wurde Vorsorge getroffen, dass sich kein Freistahl bildet, d.h. erfolgt die Anspritzung gegen eine Werkzeugwandung und nicht in die freie Kavität? | |
Sind Temperierkanäle in Anschnittnähe vorgesehen? | |
Ergeben sich durch die Angusslage, insbesondere durch die Scherung beim Einspritzen keine extremheißen Werkzeugpartien? | |
Lässt die Anschnittgeometrie (z.B. Tunnelanguss) eine Verarbeitung des Werkstoffes zu oder ist mit zu hoher Scherbeanspruchung zu rechnen? | |
Ist das Angusssystem bei Mehrfachformen oder Teilen mit mehrfachen Anschnitten natürlich ausbalanciert oder wurde — falls nein — zumindest eine Formfüllstudie zur Ermittlung abgestufter Verteilerquerschnitte durchgeführt? | |
Erfolgt die Formfüllung von der dicken zur dünnen Wand und sind keine dünnen Partien in Angussnähe (z.B. Filmscharnier), so dass durch den Verzögerungseffekt (Hesitation-Effekt) die Fließfront einfriert? | |
Ist eine ausreichende Nachdruckversorgung zur Vermeidung von Lunkern, Einfallstellen etc. möglich? | |
Ist die Angusslage optimal gewählt um Verzug zu vermeiden (z.B. Anspritzung eines Lineals an der schmalen Seite?) |
Auslegung von Wandungen
Einheitliche Wandstärken sind wichtig zur Erreichung wirtschaftlicher Zykluszeiten sowie zur Vorbeugung von Fehlstellen am Bauteil. Durch die gezielte Positionierung von Rippen kann Verzug entgegengewirkt werden. Eine gezielte Entlastung von Ecken kann helfen Spannungen vorzubeugen.
1: Günstige Form
2: Ungünstige Form
3: Günstige Form
4: Ungünstige Form

Die Schnappverbindung
Die Schnappverbindung ist eine einfache wirtschaftliche und schnelle Montagemethode, durch die Kunststoffteile mit Metallen oder Kunststoffen durch Eingriff eines entsprechenden Vorsprungs am Halteteil in eine eingeformte Hinterschneidung verbunden werden können. Die größtmögliche Dehnung ( E ) muss für den jeweiligen Anwendungsfall je nach Material auf Grundlage der höchstzulässigen Kurzzeitverformung gewählt werden.
Die Grenzen liegen bei unverstärkten Kunststoffen bei 6% und bei glasfaserverstärkten Kunststoffen bei 2% während der Biegebeanspruchung. Falls mit einer wiederholten Montage / Demontage zu rechnen ist, muß der Dehnungswert um 1% verringert werden. Die „Ermüdungserscheinung“ und die Vorspannung des Hakens können durch eine knotenblechähnliche Versteifung verbessert werden. Der Schnapphaken sollte nach Möglichkeit im Grund – Anbindung an das Teil – verrundet sein um die Kerbwirkung zu verringern.

Selbstschneidende Schrauben
Insbesondere für amorphe – aber auch für teilkristalline Kunststoffe – eignen sich selbstschneidende Schrauben Schrauben. Gewindefurchende Schrauben – auch mit flachen Flanken – erzeugen hohe Spannungen, die zu Spannungsrissen führen kommen, insbesondere beim Einwirken von chemischen Sustanzen (Öl, Fett, Säuren, Basen, Bremsflüssigkeit etc.).
Folgende allgemeinen Konstruktionsgrundlagen gelten bei Verwendung von selbstschneidenden Schrauben:

Typische Verhaltensweisen von selbstschneidenden Schrauben:
Knipping® Type 1 Schrauben-Nr. | Gewindelänge (mm) | Zapfenaußendurchmesser (mm) | Zapfeninnendurchmesser (mm) | Anzugsmoment (mm) | Überdrehmoment (mm) | Belastbarkeit (N) |
|---|---|---|---|---|---|---|
4 | 6,50 | 6,00 | 2,50 | 0 — 0,15 | 1,00 | 1200 |
6 | 6,50 | 7,00 | 3,10 | 0,25 | 2,20 | 1600 |
8 | 6,50 | 8,50 | 3,80 | 0,50 | 2,80 | 2400 |
10 | 9,50 | 10,00 | 4,40 | 1,00 | 7,50 | 3000 |
Quelle: Firmenschrift Fa. GEP
Entlüftung
Damit der Kunststoff die Form komplett befüllen kann benötigt das Werkzeug eine optimale Entlüftung. Brandstellen und Lunker werden vermieden.
Entlüftung der Kavität

Entlüftung der Kavität

Werkbilder: EUROplast
Spannungsrisse
Was fördert Spannungsrisse?

Mögliche Gegenmaßnahmen:
Problematik durch Verzug
Verzug tritt vor allem bei teilkristallinen Kunststoffteilen mit hoher Schwindung häufig auf.

Abhilfe durch verzugsoptimierte Konstruktion

Auskernung an den Ecken ohne das Schieber erforderlich sind
Dünne Rippen vermeiden Einfallstellen, führen aber zu Verzug — unterbrochene Rippen reduzieren den Verzug
Fließweg/ Wandstärke am Beispiel von Polycarbonat
Randbedingungen
3 mm ———
2 mm – — – -
1 mm -•-•-•-

Quelle: Sabic
Werkzeugstahl
Hier sehen Sie eine Übersicht über die hauptsächlich verwendeten Werkstoffe bei der Herstellung von Spritzgießwerkzeugen sowie ihre Eigenschaften und Verwendungszwecke.
Werkstoff-Nr. | Kurzname | Einbauzustand | Sonderbehandlung | Charakteristik | Verwendung |
|---|---|---|---|---|---|
1.1730 | C45W | 640 N/mm² |
| Unlegierter Werkzeugstahl, gut zerspanbar, gute Zähigkeit | Aufbauteile wie Aufspannplatten, Formrahmen usw. |
1.2083 | X42Cr13 | 52–54 HRC |
| Korrosionsbeständiger Durchhärtestahl, verzugsarm, gut zerspanbar, hohe Druckfestigkeit, gute Polierbarkeit | Werkzeug zur Verarbeitung von korrodierend wirkenden Spritzmassen, Meistens für formgebende Teile wie Einsätze, Schieber usw. |
1.2162 | 21MnCr5 | 58–60 HRC |
| Standard Einsatzstahl, gut zerspanbar, hohe Kernfestigkeit, sehr gute Polierbarkeit | Formplatten und Einsätze für kleine bis mittlere Formen. Teile mit funktionsbedingtem Verschleiß, wie Führungsstifte usw. |
1.2311 | 40CrMnMo7 | vergütet ca. 1000 N/mmm² | nitriert | Vergüteter Formenstahl, gut zerspanbar, gute Zähigkeit, gute Polierbarkeit | Mittlere und große Werkzeuge, Formrahmen und Aufbau |
1.2312 | 40CrMnMoS86 | vergütet ca. 1000 N/mmm² | nitriert | Vergüteter Formenstahl, gut zerspanbar, gute Zähigkeit, gute Polierbarkeit | Mittlere und große Werkzeuge, Formrahmen und Aufbau |
1.2343 | X38CrMoV5‑1 | 50–52 HRC | Warmarbeits-stahl, gut bearbeitbar, gute Zähigkeit, hohe Temperaturwechselbeständigkeit und Warmfestigkeit | Mittlere bis große Werkzeuge, Formplatten, Formeinsätze, Schieber usw. | |
1.2764 | 4X19NiCrMo 4 | 56–58 HRC | Sehr zäher Einsatzstahl, geringe Maßänderung nach Lufthärtung, sehr hohe Kernfestigkeit, sehr gute Polierbarkeit | Formplatten, Einsätze usw. für schwierige Werkzeuge die sich nicht verziehen sollen oder von denen eine hohe Kernfestigkeit verlangt wird | |
1.2767 | X45NiCrMo 4 | 52–54 HRC | Durchhärtender Formstahl, große Zähigkeit, verzugsarm, sehr gute Polierbarkeit | Kleine bis mittlere Formen, formgebende Teile wie Formplatten, Einsätze usw. | |
1.2842 | 90MnCrV8 | 52–54 HRC | Ölhärter mit einfacher Wärmebehandlung, gut zerspanbar, gute Maßbeständigkeit | Kleine Einsätze, Stempel, Führungsleisten, Verriegelungsleisten, Zentrierleisten, Angussbuchsen | |
Ampco 18 | ca. 660 N/ mm² | Mehrstoff Aluminium, Bronze, gute Zugfestigkeit und Streckgrenze, gutes Gleitverhalten, hohe Beständigkeit gegen mechanischen Verschleiß, ca. 2,5x höhere Wärmeleitfähigkeit gegenüber Stahl, korrosionsbeständig | Formgebende Teile wie Einsätze, Stempel, Lager, Führungen, Spindelmutter | ||
Ampcoloy | ca. 660 N/ mm² | Hochleitfähige Kupferlegierung, berylliumfrei, gute Zugfähigkeit und Streckgrenze, ca. 7x höhere Wärmeleitfähigkeit gegenüber Stahl, korrosionsbeständig | Formgebende Teile wie Einsätze, Stempel, usw. |
Etagenformen
Die Kunststoff-Formteile werden in dem Werkzeug in zwei Etagen hintereinander angeordnet, im Gegensatz zu konventionellen Werkzeugen, bei denen die Teile nebeneinander liegen. Die Schließkraftanteile, die von jeder Etage auf den Mittelblock wirken, heben sich dabei gegenseitig auf. Der Schließkraftbedarf für die Form wird somit halbiert. Bedingung ist natürlich, dass die Formteile aus dem gleichen Rohstoff hergestellt werden und die Geometrie der Teile für dieses Produktionsverfahren geeignet ist.
Vorteile
Nachteile
Wirtschaftlichkeit
Die folgenden Beispielrechnungen zeigen, wo der Einsatz von Etagenformen rentabel ist
Beispiel 1: Gegenüberstellung eines 1‑fach Werkzeugs und einer Etagenform mit je einem Formnest pro Etage:
Beispiel 1 | Übliches 1‑fach Werkzeug | 2‑fach Etagenwerkzeug |
|---|---|---|
Werkzeugkosten | 50.000 € | 105.000 € |
Materialkosten / Teil | 1 €/ Teil | 1 €/ Teil |
Maschinenstundensatz (inkl. Maschinenbedienung, Wartungs‑, Energiekosten etc.) | 75 €/ h | 80 €/ h |
Teilausstoß | 80 Teile/ h | 2 x 75 Teile/ h |
Teilepreis / Stück (Variable Kosten) | 1 + (75/80) = 1,94 €/ Teil | 1 + (80/(2x75)) = 1,53 €/Teil |
Amortisationsstückzahl | (105.000 € — 50.000 €) / (1,94 — 1,53) € /Teil = 134.146 Teile |
|
Die Mehrkosten der Etagenform haben sich also nach etwa 134.000 Teilen amortisiert, ohne Berücksichtigung von Kapitalkosten
Beispiel 2: Gegenüberstellung von zwei 1‑fach Werkzeugen und einer 1+1‑fach Etagenform für unterschiedliche Formteile:
Beispiel 2 | Zwei 1‑fach Werkzeuge | 1+1‑fach Etagenwerkzeug |
|---|---|---|
Werkzeugkosten | 2 x 50.000 € = 100.000 € | 115.000 € |
Materialkosten / Teil | 1 €/ Teil | 1 €/ Teil |
Maschinenstundensatz (inkl. Maschinenbedienung, Wartungs‑, Energiekosten etc.) | 75 €/ h | 80 €/ h |
Teilausstoß | 80 Teile/ h | 2 x 75 Teile/ h |
Teilepreis / Stück (Variable Kosten) | 1 + (75 / 80) = 1,94 €/ Teil | 1 + (80 / (2x75)) = 1,53 €/Teil |
Amortisationsstückzahl | (115.000 € — 100.000 €) / (1,94 — 1,53) €/ Teil = 36.585 Teile |
|
Da die Werkzeugkosten einer Etagenform für zwei unterschiedliche Formteile nur geringfügig höher sind als zwei Einfachformen für diese Teile, haben sich die Mehrkosten bereits nach etwa 37.000 Teilen amortisiert.

Alle Angaben ohne Gewähr
| Plätzchen | Dauer | Beschreibung |
|---|---|---|
| brz-firstVisit | never | Brizy sets this cookie to store on the first visit. |
| brz-lastVisit | never | Brizy sets this cookie to store the last visit. |
| brz-pagesViews | never | Brizy sets this cookie to store which page was visited first. |
| brz-pagesViewsInSessionTimeLine | never | Brizy sets this cookie to store and track interaction. |
| brz-sessions | never | Brizy sets this cookie to store ad display frequency. |
| brz-showedPopupsInSessionTimeLine | never | Brizy sets this cookie to store performed actions on the website. |